24V 3KW电动轨道车用大功率直流电机-济南科亚
发布时间 2016-02-16 08:07:17
产品描述
采用目前国际上先进的电机控制芯片,工作稳定可靠。挑选进口优质的金属氧化物半导体场效应晶体管(MOSFET)作为电力功率管,通态电阻小,发热少,使控制器的效率更高。
● STC-170系列电机
型号说明:ST:三腾简称 C:串励电机 170:电机直径


电压范围:24-60V
功率范围:1.5-4KW
转速范围:1500/2800RPM
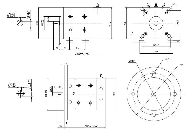
外形及安装尺寸图:

技术数据:
|
型号 Model |
励磁方式 C/T |
额定电压 (V) |
额定功率 (KW) |
额定电流 (A) |
额定转速 (r/min) |
额定转矩 (N.M) |
|
24-1.5 |
串励 |
24 |
1.5 |
83 |
1500 |
9.5 |
|
24 |
1.5 |
83 |
2800 |
5.1 |
||
|
他励 |
24 |
1.5 |
83 |
1500 |
9.5 |
|
|
24 |
1.5 |
83 |
2800 |
5.1 |
||
|
36-1.5 |
串励 |
36 |
1.5 |
55.5 |
1500 |
9.5 |
|
36 |
1.5 |
55.5 |
2800 |
5.1 |
||
|
他励 |
36 |
1.5 |
55.5 |
1500 |
9.5 |
|
|
36 |
1.5 |
55.5 |
2800 |
5.1 |
||
|
48-1.5 |
串励 |
48 |
1.5 |
41.6 |
1500 |
9.5 |
|
48 |
1.5 |
41.6 |
2800 |
5.1 |
||
|
他励 |
48 |
1.5 |
41.6 |
1500 |
9.5 |
|
|
48 |
1.5 |
41.6 |
2800 |
5.1 |
||
|
24-2.2 |
串励 |
24 |
2.2 |
122 |
1500 |
14 |
|
24 |
2.2 |
122 |
2800 |
7.5 |
||
|
他励 |
24 |
2.2 |
122 |
1500 |
14 |
|
|
24 |
2.2 |
122 |
2800 |
7.5 |
||
|
36-2.2 |
串励 |
36 |
2.2 |
81 |
1500 |
14 |
|
36 |
2.2 |
81 |
2800 |
7.5 |
||
|
他励 |
36 |
2.2 |
81 |
1500 |
14 |
|
|
36 |
2.2 |
81 |
2800 |
7.5 |
||
|
48-2.2 |
串励 |
48 |
2.2 |
61 |
1500 |
14 |
|
48 |
2.2 |
61 |
2800 |
7.5 |
||
|
他励 |
48 |
2.2 |
61 |
1500 |
14 |
|
|
48 |
2.2 |
61 |
2800 |
7.5 |
||
|
36-3 |
串励 |
36 |
3 |
111 |
1500 |
19.1 |
|
36 |
3 |
111 |
2800 |
10.2 |
||
|
他励 |
36 |
3 |
111 |
1500 |
19.1 |
|
|
36 |
3 |
111 |
2800 |
10.2 |
总成
大电机电柜
大电机注释
单方向总成1
| 联系人 | 李女士 |
|---|---|
| 联系电话 | 15668308389 15169178493 |
| 地址 | 济南市天桥区北园大街东洛河西路78号 |
| 邮箱 | 1043907763@qq.com |