微型环形测力传感器 定做称重传感器
发布时间 2018-03-20 09:54:23
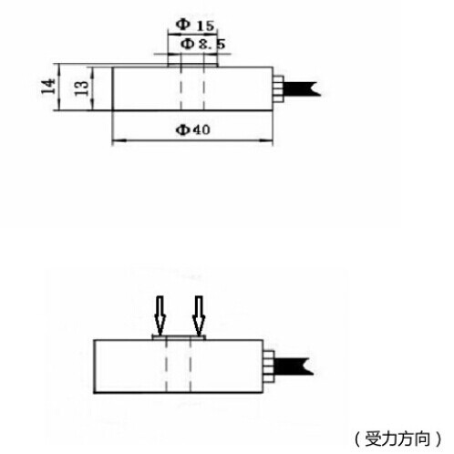
产品描述
NOS-W408套环测力传感器
微型环形测力传感器 非标定做称重传感器
一、产品特点:
1、优质不锈钢材质
2、体积小 高度低
3、高额定力 尺寸很小
4、压向力测量
我公司可为用户研制及生产各类特殊要求的非标准称重、测力传感器。货期快价格实惠!(一般5-7个工作日均可交货)。
二、量程选择
10kg、20kg、30kg、50kg、100kg、200kg、300kg、500kg、1t、2t
三、技术参数
额定输出 2.0mV/V ±0.1%
零点平衡 ±1%
蠕变 ±0.03%
非线性 ±0.03%
重复性 ±0.03%
灵敏度温漂 ≤0.002%
零点温漂 ≤0.002%
可用温度范围 -10oC to + 70oC
温度补偿范围 -10oC to + 40oC
安全载荷 150%
输入阻抗 387 ohm ± 20 ohm
输出阻抗 350 ohm ± 5 ohm
推荐激励电压 10V DC/AC
**大激励电压 15V DC/AC
四、实物图片




五、质保说明:
我们郑重承诺:“产品质保两年(凡质保期内出现质量问题均可免费换新),终生维护
六、测力传感器使用注意事项
1.在潮湿环境场所安装测力传感器应选择适合的密封方式的传感器,且安装时用黄油对接线以及整个传感器外表进行涂抹,进行彻底密封。
2.必须严格按载荷重量进行称重。
3.测力平台安装性能优良的减震装置。
4.测力传感器的加载一定要在确定的方向上加载,尽量避免横向力、附加弯矩扭矩的产生。
5.传感器的外壳单独接地,以保证其有稳定的零电位。
长沙诺赛希斯仪器仪表有限公司
进入店铺
在线留言
| 联系人 | 石慧 |
|---|---|
| 联系电话 | 0731-89608575 18908471303 |
| 地址 | 长沙市岳麓区岳麓大道59号 中联科技园 |
| 邮箱 | 2682979325@qq.com |